PCHIFI.ORG

 找回密码
 立即注册
搜索
查看: 5497|回复: 2

studer900幻象电源

[复制链接]

28

主题

66

帖子

233

积分

中级会员

Rank: 3Rank: 3

积分
233
发表于 2021-3-7 09:14:09 | 显示全部楼层 |阅读模式
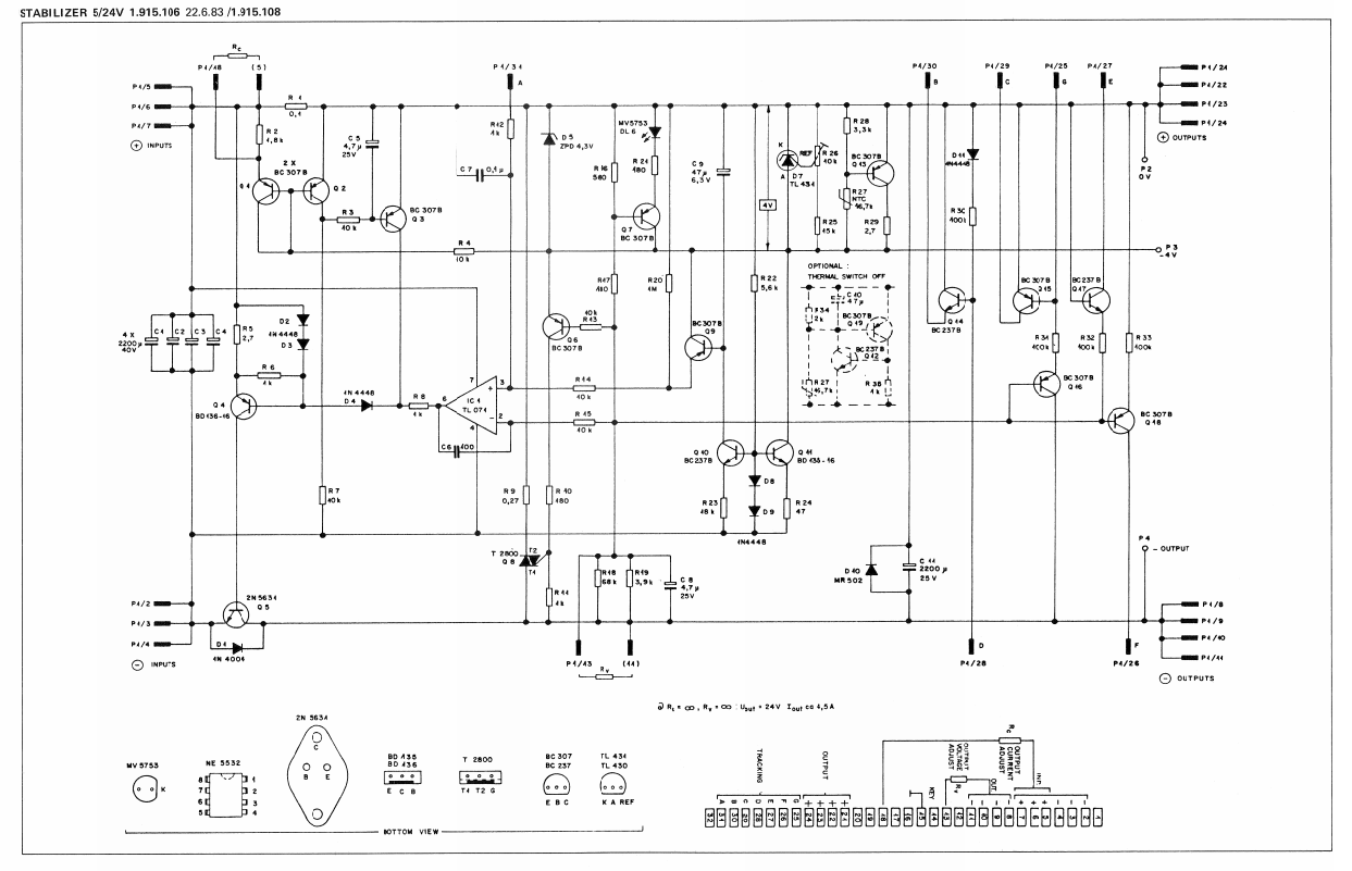
很好的一个幻象电源线路,能用在幻像电源也非常合适前级DAC,选用合适的管子可达到输出电流3A,输出电压在5到48v,5v输出时要保证有约12V DC输入电压,因为运放要有约10V的供电,用在幻像电源时电流约300MA就够了。
STUDER900.png

回复

使用道具 举报

58

主题

115

帖子

379

积分

版主

Rank: 7Rank: 7Rank: 7

积分
379
发表于 2021-3-12 07:45:02 | 显示全部楼层
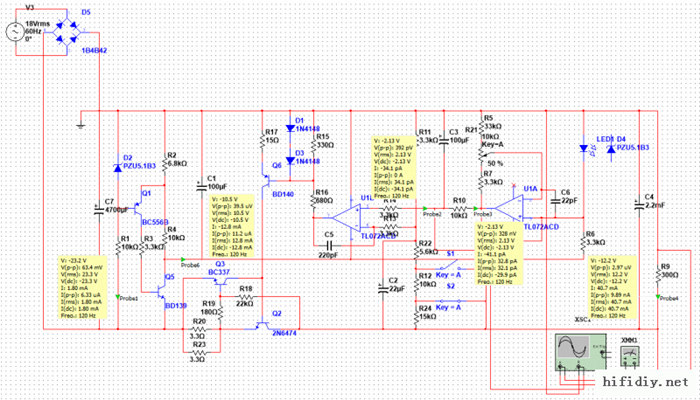
所有电源看起来都差不多,要说亮点,就是运放的供电和基准源的结构。可以从仿真看出:
00_Phanton_3.jpg
电源仿真图
Q1Q5构成一个简单的稳压,纹波40uV(p-p),给运放供电,稳压管和U1A构成基准源,值得注意的是U1A输出端有300nV(p-p)的纹波,但经过C3R10构成的低通滤波器,到U1B输入端就变成了390pV(p-p),噪声在仿真体现不出,但照样会被这个低通滤波器衰减,所以普通稳压管也可以放心用,如果真的很介意噪声,用LED做参考会更好,但离散性/斜率什么的会稍差一点。
这里会还有个问题,运放选择上,并非参数越高越好,至于选什么运放,留给同学们思考。
然后不得不提一下过流保护,保护曲线如下,保护电路会增加电源内阻,至于内阻的增加是好还是不好?见仁见智吧,我只能说个人观点:适当的内阻会比较讨好耳朵。
00_Phanton_4.jpg
来源:bbs.hifidiy.net 发布者:swing

回复

使用道具 举报

58

主题

115

帖子

379

积分

版主

Rank: 7Rank: 7Rank: 7

积分
379
发表于 2021-3-12 08:00:19 | 显示全部楼层
STUDER 900 原装电源板
75cm5f.jpg

wvlat99f.jpg
回复

使用道具 举报

您需要登录后才可以回帖 登录 | 立即注册

本版积分规则

Archiver|手机版|小黑屋|PCHIFI.ORG

GMT+8, 2026-4-16 09:24 , Processed in 0.045893 second(s), 21 queries .

Powered by Discuz! X3.4

Copyright © 2001-2021, Tencent Cloud.

快速回复 返回顶部 返回列表